All went according to what was agreed and product fit the
Bonne description du produit.
Parts arrived quickly and worked great
Easy to get the part and at good price
Works as it should very easy to install hope it lasts for a long time.
During the Canada Post strike we continue to ship our orders via our alternative carriers including Purolator, UPS and Fedex
Frigidaire
Couldn't load pickup availability
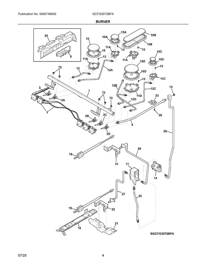
Part#: 5304506548 is a genuine Frigidaire Range Part. It's a 9.5K Burner Valve designed for optimal performance. This part ensures precise gas flow control, enhancing your cooking experience. Trust Frigidaire's quality for a reliable replacement.
Free Shipping on all orders $129 or more! Read more
Hassle-Free 30-Days Returns Policy! Read more
Low stock: 9 left
View full details

Refer to #2A on the parts diagram
I bought stove lower element...non OEM, was perfect fit and so far it's workingperfectly .
Shipping was very fast..
Looking for an OEM replacement part for my dishwasher, PartsNet not only had the lowest price but they had very fast shipping.
Part arrived on time, packaged safely in a box instead of just a air bubble bag. Switch is an OEM but I have not installed it yet. For sure it'll will work, it's a Frigidaire. I highly recommend this seller.
The broil element burned out on my 22 year old Kenmore electric range about 9 years ago, now the bake element too just a day before finding the perfect replacement part here on PartsNet, as I could not find parts at local stores like Home Depot as it's such an old model. It was a 10 minute job to replace and it works like new, after some cleaning of the knobs and stove top with a magic eraser it looks like the day I bought it ;-).
Great service. Fast shipping. Very good product and price. Works for Kenmore model 110.4231090
All went according to what was agreed and product fit the
Bonne description du produit.
Parts arrived quickly and worked great
Easy to get the part and at good price
Works as it should very easy to install hope it lasts for a long time.