Skip to product information
1 of 1

Frigidaire

Frigidaire 5304519257 Adjustable Dishwasher Toe Plate

Frigidaire 5304519257 Adjustable Dishwasher Toe Plate

Regular price $106.99
Regular price $137.99 Sale price $106.99
Sale Sold out
Shipping calculated at checkout.

The Frigidaire 5304519257 TOE PLATE, ADJUSTABLE is a genuine dishwasher part. It's designed for easy installation and optimal performance. This part ensures your dishwasher remains stable and secure. Part#: 5304519257. Perfect for maintaining your appliance.

Shipping

Free Shipping on all orders $129 or more! Read more

Returns

Hassle-Free 30-Days Returns Policy! Read more

Low stock: 4 left

View full details
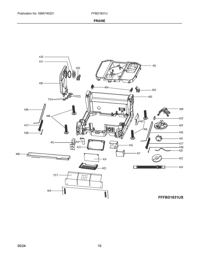
Diagram image for: 5304519257

Refer to #419 on the parts diagram

Collapsible content

Fits Models

Replaces