as described
quick delivery as promised
reasonable shipping cost
Replacement part fit perfect.
Original manufacturers equipment
Great price, fast delivery, quality pat;
During the Canada Post strike we continue to ship our orders via our alternative carriers including Purolator, UPS and Fedex
GE
Couldn't load pickup availability
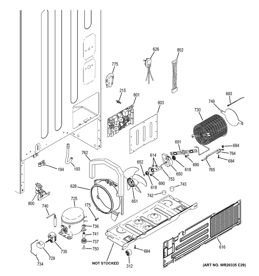
The WR01F04178 GE Refrigerator Main Control Board Assembly is a crucial part for your fridge's operation. This OEM part ensures optimal performance, regulating temperature and defrost cycles. Easy to install, it's designed for longevity and reliability. Upgrade your fridge with WR01F04178.
Free Shipping on all orders $129 or more! Read more
Hassle-Free 30-Days Returns Policy! Read more
Low stock: 9 left
View full details

Refer to # 801 on the parts diagram
CNS23SSHAFSS, GDE20GGHBRBB, GDE20GGHBRWW, GDE20GMHBRES, GDE20GSHBRSS, GDE23GGHBRBB, GDE23GGHBRWW, GDE23GSHBRSS, GNS23GGHBFBB, GNS23GGHBFWW, GNS23GMHBFES, GNS23GSHBFSS, PFS23KSHAFSS
4454957, AH11701179, AH11701274, AP5972446, EA11701179, EA11701274, EAP11701179, EAP11701274, PS11701179, PS11701274, WR55X22709, WR55X23924
as described
quick delivery as promised
reasonable shipping cost
Replacement part fit perfect.
Original manufacturers equipment
Great price, fast delivery, quality pat;
I bought stove lower element...non OEM, was perfect fit and so far it's workingperfectly .
Shipping was very fast..
Looking for an OEM replacement part for my dishwasher, PartsNet not only had the lowest price but they had very fast shipping.
Part arrived on time, packaged safely in a box instead of just a air bubble bag. Switch is an OEM but I have not installed it yet. For sure it'll will work, it's a Frigidaire. I highly recommend this seller.
The broil element burned out on my 22 year old Kenmore electric range about 9 years ago, now the bake element too just a day before finding the perfect replacement part here on PartsNet, as I could not find parts at local stores like Home Depot as it's such an old model. It was a 10 minute job to replace and it works like new, after some cleaning of the knobs and stove top with a magic eraser it looks like the day I bought it ;-).
Great service. Fast shipping. Very good product and price. Works for Kenmore model 110.4231090